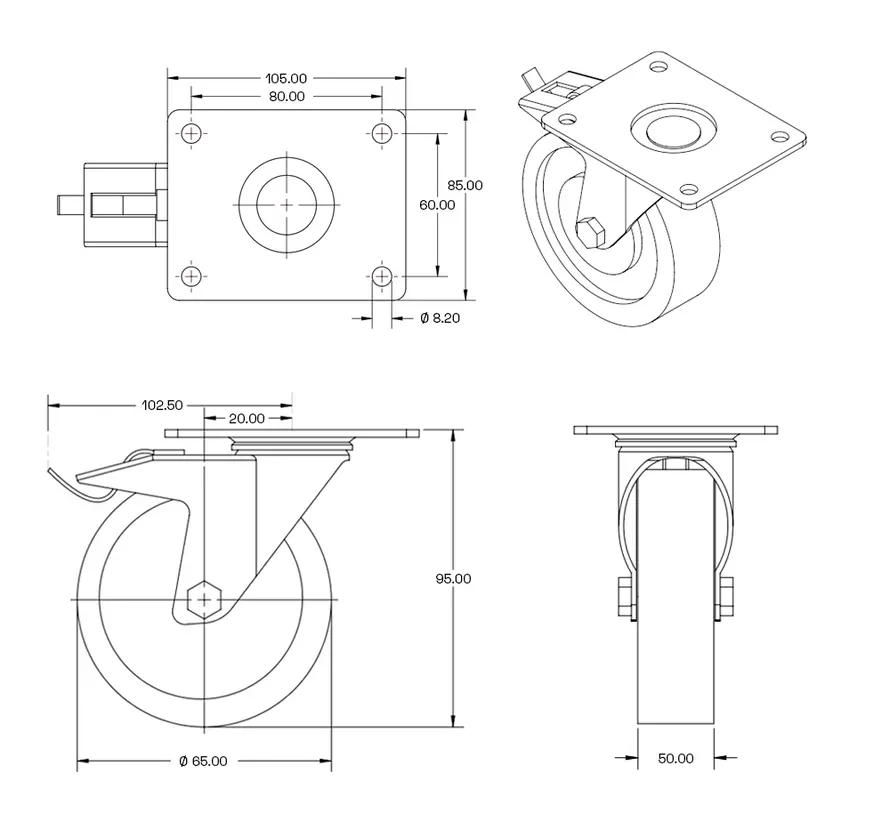
Czarne nylonowe kółko obrotowe do dużych obciążeń z hamulcem i płytą górną - 65 mm - 500 kg
To małe czarne nylonowe kółko do dużych obciążeń o średnicy 65 mm ma wyjątkowo dużą nośność do 500 kg! Wykonane w całości z czarnego nylonu i odpowiednie do ciężkich zastosowań.
Przeczytaj pełny opis produktu
To małe czarne nylonowe kółko do dużych obciążeń o średnicy 65 mm ma wyjątkowo dużą nośność do 500 kg! Wykonane w całości z czarnego nylonu i odpowiednie do ciężkich zastosowań.
To kółko skrętne z hamulcem ma górną płytkę, za pomocą której można łatwo zamocować kółko za pomocą 4 śrub.
W produktach powiązanych można zobaczyć kółka obrotowe i stałe, z którymi można doskonale połączyć to kółko obrotowe z hamulcem, ponieważ mają one te same wymiary.




