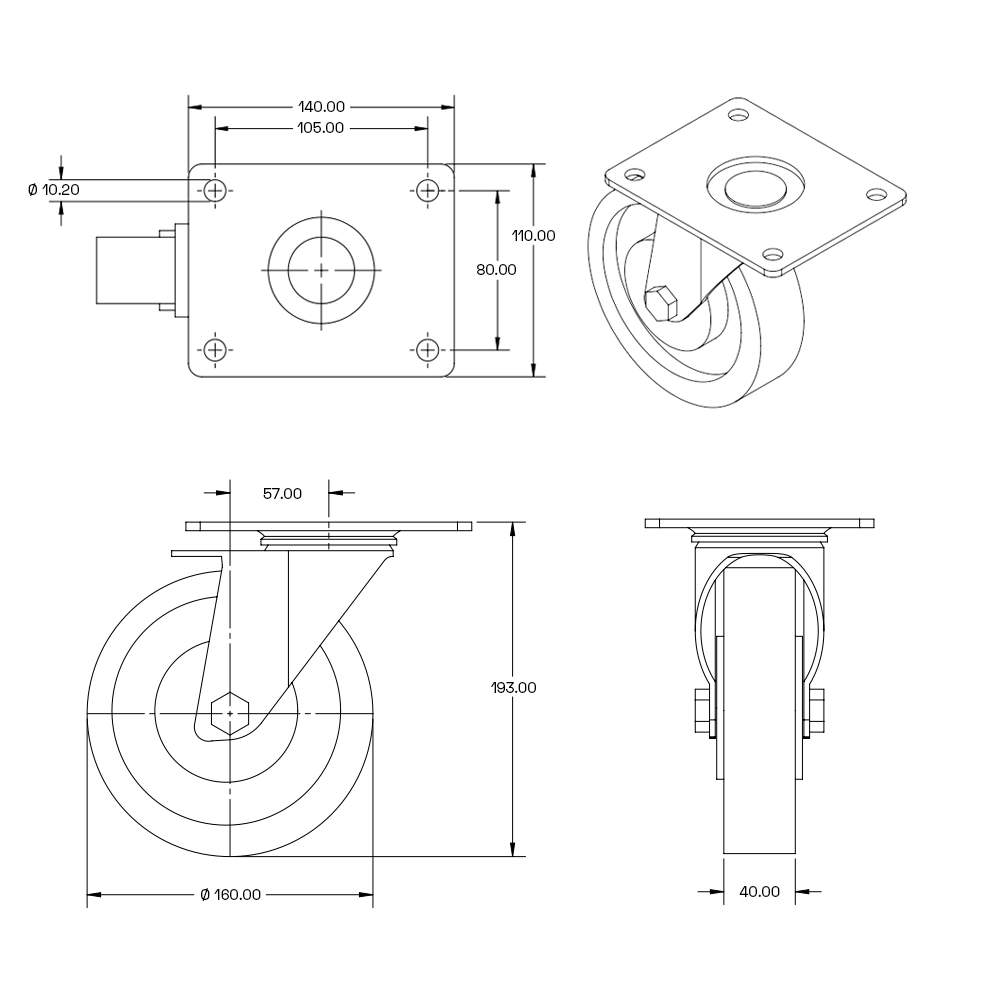
Kółko obrotowe PU z płytą górną - 160 mm - 330 kg
Zestaw kołowy skrętny o średnicy 160 mm i nośności 330 kg. Opona jest wykonana z poliuretanu, a rdzeń koła z polipropylenu, dzięki czemu doskonale nadaje się do różnych zastosowań, w których wymagana jest większa nośność.
Przeczytaj pełny opis produktu
Kółka PU wyposażone w oponę poliuretanową doskonale nadają się jako zestawy kołowe do wszystkich zastosowań, w których wymagana jest większa nośność. Kółka są odporne na zużycie, odpowiednie do temperatur od -20 do +80°C, odporne na większość środków czyszczących i wilgoć. Nie pozostawiają śladów na podłożu, a ich twardość mieści się pomiędzy kółkami gumowymi a kółkami z twardego plastiku. Kółka PU z łożyskiem kulkowym mają większą nośność niż PU z łożyskiem rolkowym.





