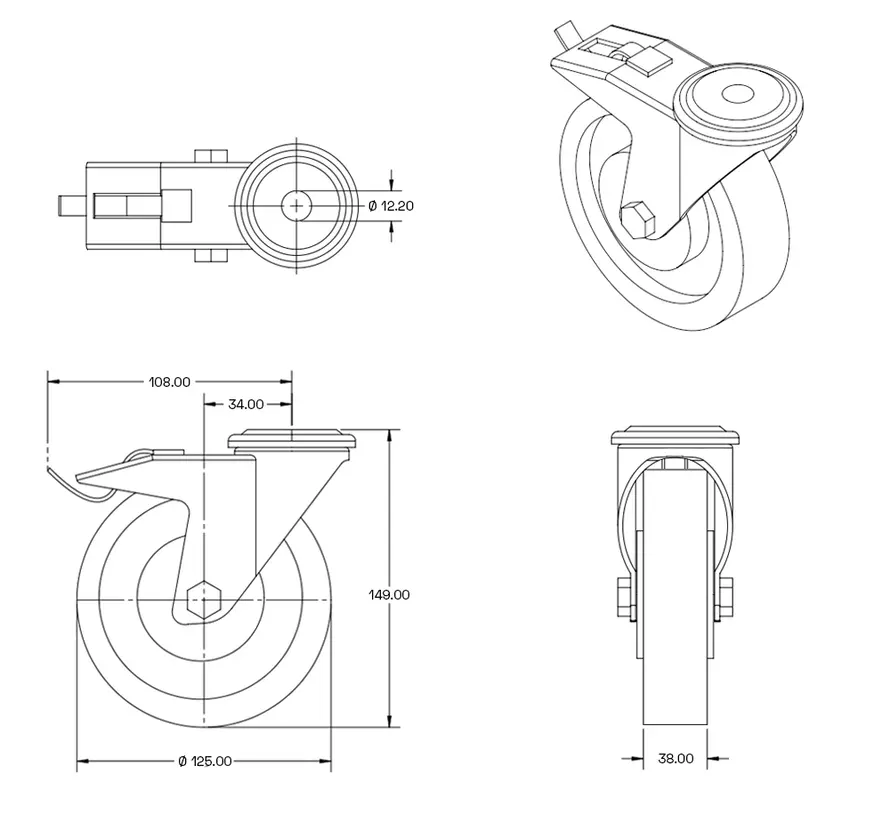
Czarne gumowe kółko obrotowe z hamulcem i centralnym otworem - 125 mm - 90 kg
To gumowe kółko obrotowe z hamulcem ma średnicę 125 mm i nośność 125 kg.
Opona tego koła jest gumowa, a korpus koła jest plastikowy.
Przeczytaj pełny opis produktu
To całkowicie czarne kółko ma ładny design i jest ekonomiczne, kółka mogą być również używane na zewnątrz i dlatego nadają się do mebli ogrodowych lub jako kółka do grilla.
To gumowe kółko z hamulcem ma centralny otwór, dzięki czemu można je łatwo przymocować za pomocą 1 śruby lub ekspandera.
Kółko posiada podwójny hamulec, co oznacza, że gdy tylko kółko znajdzie się na hamulcu, zarówno kółko, jak i kierunek obrotu zostają zablokowane.
W produktach powiązanych można zobaczyć kółka, z którymi można doskonale połączyć to kółko skrętne z hamulcem, ponieważ mają one te same wymiary.
Kółka gumowe są zdecydowanie najbardziej ekonomicznym rozwiązaniem i mają dobre właściwości toczenia na mniej płaskich powierzchniach z możliwymi progami (85° Shore A). Zestawy kołowe są zwykle odporne na zużycie, odpowiednie do temperatur od -20°C do +80°C


